10孔布鲁斯口琴经典曲谱(2)
又一经典的弱信号测试文章
AD9760和AD9760 50是10位分辨率的高性能 低功耗CMOS数模转换器
15AD10A5 15AD10A0005
基于AD8346的通用通信信号发生器
8通道温度传感器价格 8通道温度传感器批发 8通道温度传感器厂家 Hc360慧聪网
ad8221价格价格 ad8221价格批发 ad8221价格厂家
并行ic价格 并行ic批发 并行ic厂家
脉冲显示器价格 脉冲显示器批发 脉冲显示器厂家 Hc360慧聪网
拆机板,上有BB OPA627AP 10只 AD637JQ 2只 BA4558 BA4560 LF356N LF357N 等
环保电源的优点
基于STC12C5410AD设计10位高精度ADC
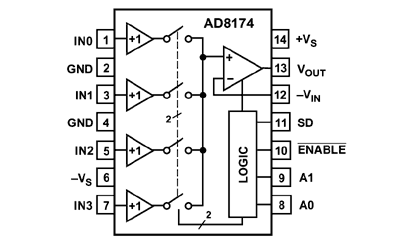
AD8174AR REEL7 代理ADI公司AD8174AR REEL7
代理直销台湾远翔FP6162AD FP6162 MSOP 10封装降压IC 现货
ExOne股票被定义 持有 评级,目标价为15.33美元













