警车警笛简谱_警车专用警笛喇叭
警车警笛伴奏
警车警笛伴奏
各国警车都有啥 英国太豪,美国用它,中国竟然用这些车当警车 搜狐汽车 ...
魅族应用中心 警车灯 和警报器
开警车回家 真的可行吗
4声报警声芯片,警车警笛报警声IC,玩具音乐电子芯片
跟紧我 拉响警笛 警车开道 一路飞驰 交警正能量
警车警笛开道声mp3
震撼游行 多伦多数十辆警车封锁市中心 警笛声援响彻全城
警车简笔画图片
价格 图片 品牌 怎么样 元珍商城
男子去餐馆打 警的 被抓是怎么回事
警车抓人时为什么要拉警笛
穿上警察制服 道奇挑战者任比赛安全车
你所不知道的美国警车秘密 防弹防盗 警笛吵死人
为什么美国警车的警笛开车门后就不响了呢
警车开道 拉响警笛 山东宝宝刚出生4天,急送响水救医...
没有交通标识的十字路口,撞到警车但我们都是直行怎么划分责任
在美国45天,3次被警察拦下后,总结出的美国驾车宝典
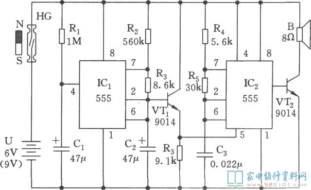
两片555模拟警笛声的电路
警车旁突然响起警笛声 一男子违法安装警报器被查处
上一篇:溯梦归乡简谱_归乡简谱歌谱廖昌永
下一篇:囍二胡简谱_囍简谱














